Product Summary
The SKT1200/16E is a subfamily of the SKT1200 series. It is a kind of capsule thyristors. It can be used for such as DC motor control, controlled rectifiers, AC controllers and recommended snubber network.
Parametrics
SKT1200/16E absolute maximum ratings: (1): VRSM is 1700V and VRRM is 1600V when Tc is 85℃ and ITAV is 1200 A; (2): the maximum VT is 1.65 V when TVJ is 25 ℃ and IT is 3600 A; (3): storage temperature is from -40℃ to 130℃ and TVJ is from -40℃ to 125℃; (4): the minimum VGT is 3V at TVJ is 25℃; (5): the typical IH is 250 mA and the maximum is 500 mA at the condition of TVJ is 25 ℃; (6): the typical IL is 500mA and is 2000mA for the maximum when TVJ is 25℃,RG is 33Ω.
Features
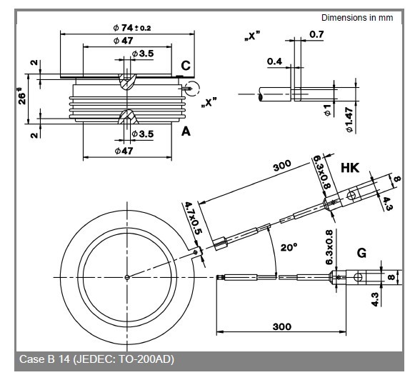
SKT1200/16E features: (1) hermeetic metal case with epoxy insulator; (2) capsule package for double sided cooling; (3) shallow design with single sided cooling; (4) off-state and reverse voltages up to 1800V; (5) amplifying gate.
Diagrams

| Image | Part No | Mfg | Description | ![]() |
Pricing (USD) |
Quantity | ||||||||||||
|---|---|---|---|---|---|---|---|---|---|---|---|---|---|---|---|---|---|---|
![]() |
![]() SKT1200/16E |
![]() Other |
![]() |
![]() Data Sheet |
![]() Negotiable |
|
||||||||||||
| Image | Part No | Mfg | Description | ![]() |
Pricing (USD) |
Quantity | ||||||||||||
![]() |
![]() SKT10000 |
![]() |
![]() 8-PIN SOCKET |
![]() Data Sheet |
![]()
|
|
||||||||||||
![]() |
![]() SKT1200/16E |
![]() Other |
![]() |
![]() Data Sheet |
![]() Negotiable |
|
||||||||||||
![]() |
![]() SKT131AEL01 |
![]() TE Connectivity |
![]() Keylock Switches SPDT ON-ON SEAL KEYLOCK SWITCH |
![]() Data Sheet |
![]()
|
|
||||||||||||
![]() |
![]() SKT131GAEL01 |
![]() TE Connectivity |
![]() Keylock Switches SPDT ON-ON KEYLOCK SWITCH |
![]() Data Sheet |
![]()
|
|
||||||||||||
![]() |
![]() SKT132GAEL01 |
![]() TE Connectivity / Alcoswitch |
![]() Keylock Switches SWITCH KEYLOCK SPDT GOLD 2POS |
![]() Data Sheet |
![]()
|
|
||||||||||||
(Hong Kong)









