Product Summary
The STK403-070 is an IGBT module. The applications of it are AC Motor control,Motion Control, Servo Contol, UPS, Welding power supplies, Brake, Converters, DC choppers, Induction heating, DC to DC converters, NC, Robotics.
Parametrics
STK403-070 general specifications: (1)3 phase recifier applications; (2)IT(AV) 80A (each device); (3)High Surge Current 2500 A (60Hz); (4)Easy Construction; (5)Non-isolated.; (6)Mounting base as common Anode terminal.
Features
STK403-070 features: (1)Square RBSOA; (2)Low Saturation Voltage; (3)Less Total Power Dissipation; (4)Improved FWD Characteristic; (5)Minimized Internal Stray Inductance; (6)Overcurrent Limiting Function.
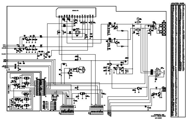
Diagrams

![]() |
![]() STK400-010 |
![]() Other |
![]() |
![]() Data Sheet |
![]() Negotiable |
|
||||
![]() |
![]() STK400-030 |
![]() Other |
![]() |
![]() Data Sheet |
![]() Negotiable |
|
||||
![]() |
![]() STK400-050 |
![]() Other |
![]() |
![]() Data Sheet |
![]() Negotiable |
|
||||
![]() |
![]() STK400-060 |
![]() Other |
![]() |
![]() Data Sheet |
![]() Negotiable |
|
||||
![]() |
![]() STK400-070 |
![]() Other |
![]() |
![]() Data Sheet |
![]() Negotiable |
|
||||
![]() |
![]() STK400-080 |
![]() Other |
![]() |
![]() Data Sheet |
![]() Negotiable |
|
||||
(Hong Kong)








