Product Summary
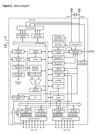
The ATTINY2313-20SI is a low-power CMOS 8-bit microcontroller based on the AVR enhanced RISC architecture. By executing powerful instructions in a single clock cycle, the ATTINY2313-20SI achieves throughputs approaching 1 MIPS per MHz allowing the system designer to optimize power consumption versus processing speed.
Parametrics
ATTINY2313-20SI absolute maximum ratings: (1)Operating Temperature: -55℃ to +125℃; (2)Storage Temperature: -65℃ to +150℃; (3)Voltage on any Pin except RESET with respect to Ground: -0.5V to VCC+0.5V; (4)Voltage on RESET with respect to Ground: -0.5V to +13.0V; (5)Maximum Operating Voltage: 6.0V; (6)DC Current per I/O Pin: 40.0 mA; (7)DC Current VCC and GND Pins: 200.0 mA.
Features
ATTINY2313-20SI features: (1)Utilizes the AVR RISC Architecture; (2)AVR High-performance and Low-power RISC Architecture: 120 Powerful Instructions Most Single Clock Cycle Execution; 32 x 8 General Purpose Working Registers; Fully Static Operation; Up to 20 MIPS Throughput at 20 MHz; (3)Data and Non-volatile Program and Data Memories: 2K Bytes of In-System Self Programmable Flash Endurance 10,000 Write/Erase Cycles; 128 Bytes In-System Programmable EEPROM Endurance: 100,000 Write/Erase Cycles; 128 Bytes Internal SRAM; Programming Lock for Flash Program and EEPROM Data Security.
Diagrams

| Image | Part No | Mfg | Description | ![]() |
Pricing (USD) |
Quantity | ||||||||||||
|---|---|---|---|---|---|---|---|---|---|---|---|---|---|---|---|---|---|---|
![]() |
![]() ATtiny2313-20SI |
![]() Atmel |
![]() 8-bit Microcontrollers (MCU) AVR 2K FLSH 128B EE 128B SRAM 1 UART |
![]() Data Sheet |
![]() Negotiable |
|
||||||||||||
| Image | Part No | Mfg | Description | ![]() |
Pricing (USD) |
Quantity | ||||||||||||
![]() |
![]() ATtiny10 |
![]() Other |
![]() |
![]() Data Sheet |
![]() Negotiable |
|
||||||||||||
![]() |
![]() ATTINY10-MAH |
![]() Atmel |
![]() 8-bit Microcontrollers (MCU) AVR 1KB FL 32B SRAM ATTINY10 12MHz |
![]() Data Sheet |
![]() Negotiable |
|
||||||||||||
![]() |
![]() ATTINY10-MAHR |
![]() Atmel |
![]() 8-bit Microcontrollers (MCU) AVR 1KB FLSH 32B SRAM 12MHz NiPdAu |
![]() Data Sheet |
![]()
|
|
||||||||||||
![]() |
![]() ATTINY10-TS8R |
![]() Atmel |
![]() 8-bit Microcontrollers (MCU) AVR1KB FLSH 32B SRAM 12MHz NiPdAu + 125C |
![]() Data Sheet |
![]()
|
|
||||||||||||
![]() |
![]() ATTINY10-TSHR |
![]() Atmel |
![]() 8-bit Microcontrollers (MCU) 12MHz, Indust. Temp |
![]() Data Sheet |
![]()
|
|
||||||||||||
![]() |
![]() ATtiny11 |
![]() Other |
![]() |
![]() Data Sheet |
![]() Negotiable |
|
||||||||||||
(Hong Kong)













