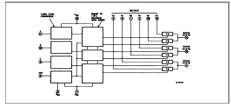
Product Summary
The HCF4053BMTR is a monolithic integrated circuit, available in 16-lead dual in-line plastic or ceramic package and plastic micropackage. The HCF4053BMTR analog multiplexer/demultiplexer is digitally controlled analog switches having low ON impedance and very low OFF leakage current. The HCF4053BMTR is a single 8-channel multiplexer having three binary control inputs, A, B, and C, and an inhibit input. The three binary signals select 1 of 8 channels to be turned on, and connect one of the 8 inputs to the output. The HCF4053BMTR is a differential 4-channel multiplexer having two binary control inputs, Aand B,and an inhibit input. The two binary input signals select 1 of 4 pairs of channels to be turned on and connect the analog inputs to the outputs.
Parametrics
HCF4053BMTR absolute maximum ratings: (1)Vi Input Voltage – 0.5 to VDD + 0.5 V; (2)II DC Input Current (any one input) ± 10 mA; (3)To p Operating Temperature : HCC Types – 55 to + 125℃; (4)HCF Types: – 40 to + 85℃; (5)Ts tg Storage Temperature: – 65 to + 150 ℃; (6)Pt ot Total Power Dissipation (per package) Dissipation per Output Transistor: 200 mW; (7)for Top = Full Package-temperature Range: 100mW.
Features
HCF4053BMTR features: (1)Quiescent current specified TO 20V for hcc device ; (2)low “ON” resistance : 125W (typ.) OVER 15V p.p. Signal-input range for VDD VEE = 15V; (3)High “off” resistance : CHANNEL LEAK AGE ± 100pA (typ.) VDD – VEE = 18V; (4)Binary address decoding on chip; (5)Very low quiescent power dissipation under all digital control input and supply conditions : 0.2 mW (typ.), VDD – VSS = VDD – VEE = 10V; (6)Matched switch characteristics: Ron = 5W (typ.) for VDD – VEE= 15V; (7)Wide range of digitaland analog signallevels: Digital3 TO 20V, analog to 20V p.p; (8)5V, 10V, AND 15V parametric ratings; (9)Input current of 100mA AT 18V AND 25℃ for HCC device; (10)100% testedfor quiescent current Meets all requirements of jedec tentative standard No 13A, standard specifications for description of "B" seriescmos devices.
Diagrams

![]() |
![]() HCF4001B |
![]() Other |
![]() |
![]() Data Sheet |
![]() Negotiable |
|
||||||||||||||||||
![]() |
![]() HCF4001BEY |
![]() STMicroelectronics |
![]() Gates (AND / NAND / OR / NOR) Quad 2-Input NOR |
![]() Data Sheet |
![]()
|
|
||||||||||||||||||
![]() |
![]() HCF4001M013TR |
![]() |
![]() IC GATE NOR QUAD 2INP 14-SOIC |
![]() Data Sheet |
![]()
|
|
||||||||||||||||||
![]() |
![]() HCF4002B |
![]() Other |
![]() |
![]() Data Sheet |
![]() Negotiable |
|
||||||||||||||||||
![]() |
![]() HCF4006B |
![]() Other |
![]() |
![]() Data Sheet |
![]() Negotiable |
|
||||||||||||||||||
![]() |
![]() HCF4007UB |
![]() Other |
![]() |
![]() Data Sheet |
![]() Negotiable |
|
||||||||||||||||||
(Hong Kong)










