Product Summary
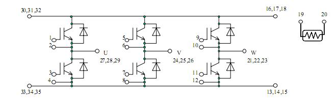
The 6MBI75UB-120 is an IGBT module.
Parametrics
6MBI75UB-120 absolute maximum ratings: (1)Collector-Emitter voltage:1200V; (2)Gate-Emitter voltage:±20V; (3)Collector current:IC:100A, 75A, ICP:200A, 150A, -IC:75A, -ICP:150A; (4)Junction temperature:150℃; (5)Collector Power Dissipation:390W; (6)Storage temperature:-40 to +125℃; (7)Isolation voltage:2500VAC.
Features
6MBI75UB-120 features: (1)Zero gate voltage Collector current:1.0mA; (2)Gate-Emitter leakage current:200nA; (3)Gate-Emitter threshold voltage:4.5 to 8.5V; (4)Lead resistance, terminal-chip:3.4mΩ; (5)Reverse recovery time:0..5us; (6)Resistance:5000Ω.
Diagrams

![]() |
![]() 6MBI 25S-120L |
![]() Other |
![]() |
![]() Data Sheet |
![]() Negotiable |
|
||||
![]() |
![]() 6MBI 35S-120L |
![]() Other |
![]() |
![]() Data Sheet |
![]() Negotiable |
|
||||
![]() |
![]() 6MBI 50S-120L |
![]() Other |
![]() |
![]() Data Sheet |
![]() Negotiable |
|
||||
![]() |
![]() 6MBI100F-060 |
![]() Other |
![]() |
![]() Data Sheet |
![]() Negotiable |
|
||||
![]() |
![]() 6MBI100FA-060 |
![]() Other |
![]() |
![]() Data Sheet |
![]() Negotiable |
|
||||
![]() |
![]() 6MBI100FB-060 |
![]() Other |
![]() |
![]() Data Sheet |
![]() Negotiable |
|
||||
(Hong Kong)








