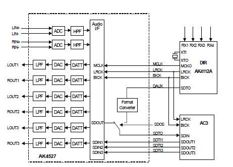
Product Summary
The AK4527VQ is a single chip CODEC that includes two channels of ADC and six channels of DAC. The ADC outputs 24bit data and the DAC accepts up to 24bit input data. The ADC has the Enhanced Dual Bit architecture with wide dynamic range. The DAC introduces the new developed Advanced Multi-Bit architecture, and achieves wider dynamic range and lower outband noise. The AK4527VQ has a dynamic range of 102dB for ADC, 106dB for DAC and is well suited for digital surround for home theater and car audio. An AC-3 system can be built with a IEC958(SPDIF) receiver such as the AK4112A. The AK4527VQ is available in a small 44pin LQFP package which will reduce system space.
Parametrics
AK4527VQ absolute maximum ratings: (1)Power Supplies Analog AVDD: min=-0.3V, max=6.0V; Digital DVDD: min=-0.3V, max=6.0V; Output buffer TVDD: min=-0.3V, max=6.0V; |AVSS-DVSS| DGND: max=0.3V; (2)Input Current (any pins except for supplies) IIN: max=±10 mA; (3)Analog Input Voltage VINA: min=-0.3V, max=AVDD+0.3 V; (4)Digital Input Voltage VIND: min=-0.3V, max=DVDD+0.3 V; (5)Ambient Temperature (power applied) Ta: min=-40℃, max=85℃; (6)Storage Temperature Tstg: min=-65℃, max=150℃.
Features
AK4527VQ features: (1)2ch 24bit ADC; (2)6ch 24bit DAC; (3)De-emphasis for 32kHz, 44.1kHz and 48kHz; (4)Zero Detect Function; (5)High Jitter Tolerance; (6)TTL Level Digital I/F; (7)3-wire Serial μP I/F for mode setting; (8)Master clock: 256fs, 384fs or 512fs for fs=32kHz to 48kHz, 128fs, 192fs or 256fs for fs=64kHz to 96kHz; (9)Power Supply: 4.5 to 5.5V; (10)Power Supply for output buffer: 2.7 to 5.5V; (11)Small 44pin LQFP.
Diagrams

![]() |
![]() AK4571VQP |
![]() |
![]() IC AUDIO CODEC W/USB 16B 48LQFP |
![]() Data Sheet |
![]()
|
|
||||||||||||||||||
![]() |
![]() AK4584VQP |
![]() |
![]() IC STEREO CODEC 24BIT 44LQFP |
![]() Data Sheet |
![]()
|
|
||||||||||||||||||
![]() |
![]() AK45C |
![]() Other |
![]() |
![]() Data Sheet |
![]() Negotiable |
|
||||||||||||||||||
![]() |
![]() AK45C-20 |
![]() Other |
![]() |
![]() Data Sheet |
![]() Negotiable |
|
||||||||||||||||||
![]() |
![]() AK4588 |
![]() Other |
![]() |
![]() Data Sheet |
![]() Negotiable |
|
||||||||||||||||||
![]() |
![]() AK4586 |
![]() Other |
![]() |
![]() Data Sheet |
![]() Negotiable |
|
||||||||||||||||||
(Hong Kong)










