Product Summary
The SKBT28/14 is a controllable bridge rectifier. The applications of the SKBT28/14 are: Controllable single phase rectifier; DC power supplies; DC motor controllers; DC motor field controllers.
Parametrics
SKBT28/14 absolute maximum ratings: (1)ID when Tc=85℃: 30A; (2)ITSM, IFSM, Tvj=25℃; 10MS: 320A; (3)i2t, Tvj=25℃; 8.3 to 10ms: 510A2s; (4)VT, Tvj=25℃; IT=75A: 2, 25V; (5)VT(TO) Tvj=125℃; (6)rT, Tvj=125℃ : 16mΩ; (7)tq, Tvj=125℃: 80μs; (8)IH, Tvj=25℃: 50/150mA; (9)Visol: 3600V.
Features
SKBT28/14 features: (1)Sturdy isolated metal baseplate; (2)fast-on terminals with solder tips; (3)Suitable for wave soldering; (4)High surge current rating; (5)UL recognized, file no. E 63 532.
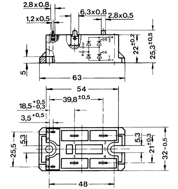
Diagrams

(Hong Kong)






