Product Summary
The 2MBI150N-060 is an IGBT dodule. The applications of the device include High Power Switching, A.C. Motor Controls, D.C. Motor Controls and Uninterruptible Power Supply.
Parametrics
2MBI150N-060 absolute maximum ratings: (1)Collector-Emitter Voltage, VCES: 600 V; (2)Gate -Emitter Voltage, VGES: ± 20 V; (3)collector current, Continuous, IC: 150A; 1ms, IC PULSE: 300A; Continuous, -IC 150A;1ms, -IC PULSE: 300A; (4)Max. Power Dissipation, PC: 600 W; (5)Operating Temperature, Tj: +150℃; (6)Storage Temperature, Tstg: -40 to +125℃; (7)Isolation Voltage A.C. 1min, Vis: 2500 V; (8)Screw Torque, Mounting: 3.5Nm; Terminals: 3.5Nm.
Features
2MBI150N-060 features: (1)Square RBSOA; (2)Low Saturation Voltage; (3)Less Total Power Dissipation; (4)Improved FWD Characteristic; (5)Minimized Internal Stray Inductance; (6)Overcurrent Limiting Function (~3 Times Rated Current).
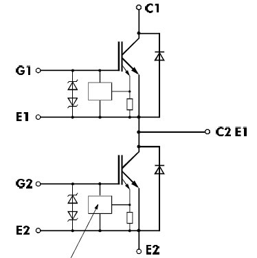
Diagrams

| Image | Part No | Mfg | Description | ![]() |
Pricing (USD) |
Quantity | ||||
|---|---|---|---|---|---|---|---|---|---|---|
![]() |
![]() 2MBI150N-060 |
![]() Other |
![]() |
![]() Data Sheet |
![]() Negotiable |
|
||||
| Image | Part No | Mfg | Description | ![]() |
Pricing (USD) |
Quantity | ||||
![]() |
![]() 2MBI100N-060-03 |
![]() Other |
![]() |
![]() Data Sheet |
![]() Negotiable |
|
||||
![]() |
![]() 2MBI100NB-120 |
![]() Other |
![]() |
![]() Data Sheet |
![]() Negotiable |
|
||||
![]() |
![]() 2MBI100NC-120 |
![]() Other |
![]() |
![]() Data Sheet |
![]() Negotiable |
|
||||
![]() |
![]() 2MBI100NE-120 |
![]() Other |
![]() |
![]() Data Sheet |
![]() Negotiable |
|
||||
![]() |
![]() 2MBI100P-140 |
![]() Other |
![]() |
![]() Data Sheet |
![]() Negotiable |
|
||||
![]() |
![]() 2MBI100PC-140 |
![]() Other |
![]() |
![]() Data Sheet |
![]() Negotiable |
|
||||
(Hong Kong)









