Product Summary
The 2MBI150SC-120 is an IGBT module. The applications of the 2MBI150SC-120 include: (1)High Power Switching; (2)A.C. Motor Controls; (3)D.C. Motor Controls; (4)Uninterruptible Power Supply.
Parametrics
2MBI150SC-120 absolute maximum ratings: (1)collector-emitter voltage, VCES: 1200V; (2)gate-emitter voltage, VGES: ±20V; (3)collector current, continuous, IC: 200A at Tc=25℃; 150A at Tc=80℃; 1ms, IC pulse: 400A at Tc=25℃; 300A at Tc=80℃; Continuous -IC: 150A; 1ms, -IC pulse: 300A; (4)max power dissipation, PC: 1000W; (5)operating temperature, Tj: 150℃; (6)storage temperature, Tstg: -40 to 125℃; (7)isolation voltage, Vis: AC 2500V.
Features
2MBI150SC-120 features: (1)NPT-Technology; (2)Square SC SOA at 10 x IC; (3)High Short Circuit Withstand-Capability; (4)Small Temperature Dependence of the Turn-Off Switching Loss; (5)Low Losses And Soft Switching.
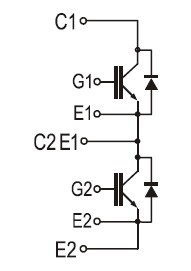
Diagrams

| Image | Part No | Mfg | Description |  | Pricing (USD) | Quantity | ||||
|---|---|---|---|---|---|---|---|---|---|---|
|  |  2MBI150SC-120 |  Other |  |  Data Sheet |  Negotiable |  | ||||
| Image | Part No | Mfg | Description |  | Pricing (USD) | Quantity | ||||
|  |  2MBI100N-060-03 |  Other |  |  Data Sheet |  Negotiable |  | ||||
|  |  2MBI100NB-120 |  Other |  |  Data Sheet |  Negotiable |  | ||||
|  |  2MBI100NC-120 |  Other |  |  Data Sheet |  Negotiable |  | ||||
|  |  2MBI100NE-120 |  Other |  |  Data Sheet |  Negotiable |  | ||||
|  |  2MBI100P-140 |  Other |  |  Data Sheet |  Negotiable |  | ||||
|  |  2MBI100PC-140 |  Other |  |  Data Sheet |  Negotiable |  | ||||
 (Hong Kong)
 (Hong Kong) 
                         
                        
 
                                    




