Product Summary
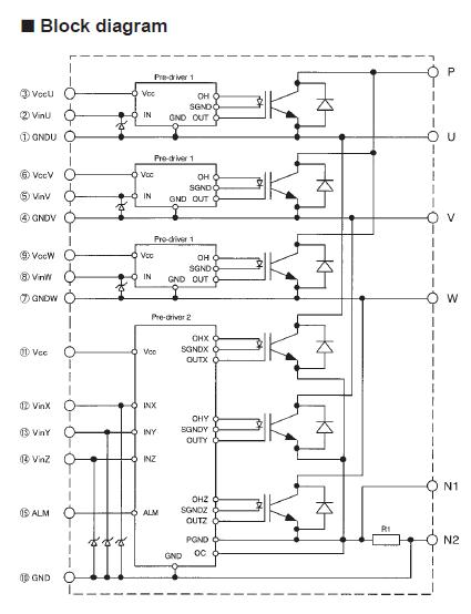
The 6MBP30RH060 is an IGBT-IPM. The applications of the device include Inverter for motor drive, AC and DC servo drive amplifier and UPS (Uninterruptible power supply).
Parametrics
6MBP30RH060 absolute maximum ratings: (1)DC bus voltage, VDC: 450V; (2)DC bus voltage (Surge), VDC(surge): 500V; (3)DC bus voltage (Short operating), VSC: 400V; (4)Collector-Emitter voltage, VCES: 600V; (5)Collector current, DC, IC: 30A; 1ms, ICP: 60A; Duty=56.6%, -IC: 30A; (6)Collector power dissipation One transistor, PC: 85W; (7)Junction temperature, Tj: 150℃; (8)Input voltage of power supply for pre-driver,VCC: -0.3 to 20V; (9)Input signal voltage, Vin: VZ; (10)Input singal current, Iin: 1mA; (11)Alarm signal voltage, VALM: VCC; (12)Alarm signal current, IALM: 15mA; (13)Storage temperature, Tstg: -40 to 125℃; (14)Operating case temperature, Tcop: -20 to 100℃; (15)Isolating voltage (Terminal to base, 50/60Hz sine wave 1min.), Viso: AC2500V; (16)Screw torque, mounting (M4): 2.0Nm.
Features
6MBP30RH060 features: (1)Low power loss and soft switching; (2)High performance and high reliability IGBT with overheating protection; (3)Higher reliability because of a big decrease in number of parts in built-in control circuit.
Diagrams

| Image | Part No | Mfg | Description | ![]() |
Pricing (USD) |
Quantity | ||||
|---|---|---|---|---|---|---|---|---|---|---|
![]() |
![]() 6MBP30RH060 |
![]() Other |
![]() |
![]() Data Sheet |
![]() Negotiable |
|
||||
| Image | Part No | Mfg | Description | ![]() |
Pricing (USD) |
Quantity | ||||
![]() |
![]() 6MBP 150RA-060 |
![]() Other |
![]() |
![]() Data Sheet |
![]() Negotiable |
|
||||
![]() |
![]() 6MBP 15RH-060 |
![]() Other |
![]() |
![]() Data Sheet |
![]() Negotiable |
|
||||
![]() |
![]() 6MBP 75RA-120 |
![]() Other |
![]() |
![]() Data Sheet |
![]() Negotiable |
|
||||
![]() |
![]() 6MBP100RTA-060 |
![]() Other |
![]() |
![]() Data Sheet |
![]() Negotiable |
|
||||
![]() |
![]() 6MBP100RTB060 |
![]() Other |
![]() |
![]() Data Sheet |
![]() Negotiable |
|
||||
![]() |
![]() 6MBP150RA120 |
![]() Other |
![]() |
![]() Data Sheet |
![]() Negotiable |
|
||||
(Hong Kong)









