Product Summary
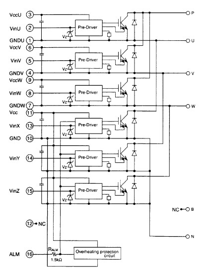
The 6MBP75RS-120 is an IGBT-IPM.
Parametrics
6MBP75RS-120 absolute maximum ratings: (1)DC bus voltage, VDC: 450V; (2)DC bus voltage (surge), VDC(surge): 500V; (3)DC bus voltage (short operating), VSC: 200 to 400V; (4)Collector-Emitter voltage, VCES: 0 to 600V; (5)INV Collector current DC, IC: 75A; 1ms, ICP: 150A; Duty=61.7%, Ic: 75A; Collector power dissipation, Pc: 320W; (6)Junction temperature: 150℃; (7)Input voltage of power supply for Pre-Driver: 20V; (8)Input signal current: 1mA; (9)Alarm signal current: 15mA; (10)Storage temperature: -40 to 125℃; (11)Operating case temperature: -20 to 100℃.
Features
6MBP75RS-120 features: (1)Temperature protection provided by directly detecting the junction temperature of the IGBTs; (2)Low power loss and soft switching; (3)High performance and high reliability IGBT with overheating protection; (4)Higher reliability because of a big decrease in number of parts in built-in control circuit.
Diagrams

![]() |
![]() 6MBP 150RA-060 |
![]() Other |
![]() |
![]() Data Sheet |
![]() Negotiable |
|
||||
![]() |
![]() 6MBP 15RH-060 |
![]() Other |
![]() |
![]() Data Sheet |
![]() Negotiable |
|
||||
![]() |
![]() 6MBP 75RA-120 |
![]() Other |
![]() |
![]() Data Sheet |
![]() Negotiable |
|
||||
![]() |
![]() 6MBP100RTA-060 |
![]() Other |
![]() |
![]() Data Sheet |
![]() Negotiable |
|
||||
![]() |
![]() 6MBP100RTB060 |
![]() Other |
![]() |
![]() Data Sheet |
![]() Negotiable |
|
||||
![]() |
![]() 6MBP150RA120 |
![]() Other |
![]() |
![]() Data Sheet |
![]() Negotiable |
|
||||
(Hong Kong)








