Product Summary
The LM339N is a low power low offset voltage quad comparator. The LM339N consists of four independent precision voltage comparators with an offset voltage specification as low as 2 mV max for all four comparators. The LM339N was designed specifically to operate from a single power supply over a wide range of voltages. Operation from split power supplies is also possible and the low power supply current drain is independent of the magnitude of the power supply voltage. The comparator LM339N also have a unique characteristic in that the input common-mode voltage range includes ground, even though operated from a single power supply voltage.
Parametrics
LM339N absolute maximum ratings: (1)Power Dissipation Molded DIP: 1050 mW; (2)Cavity DIP: 1190 mW; (3)Small Outline Package: 760 mW; (4)Output Short-Circuit to GND: Continuous Continuous; (5)Storage Temperature Range: -65℃ to +150℃; (6)Lead Temperature: 260℃; (7)Operating Temperature Range: -40℃ to +85℃; (8)Dual-In-Line Package Soldering: 260℃; (9)Small Outline Package Vapor Phase (60 seconds): 215℃; (10)Infrared (15 seconds): 220℃; (11)ESD rating (1.5 kΩ in series with 100 pF): 600V.
Features
LM339N features: (1)Wide supply voltage range; (2)Very low supply current drai(0.8 mA) — independent of supply voltage; (3)Low input biasing current: 25 nA; (4)Low input offset current: ±5 nA; (5)Offset voltage: ±3 mV; (6)Input common-mode voltage range includes GND; (7)Differential input voltage range equal to the power supply voltage; (8)Low output saturatiovoltage: 250 mV at 4 mA; (9)Output voltage compatible with TTL, DTL, ECL, MOS and CMOS logic systems.
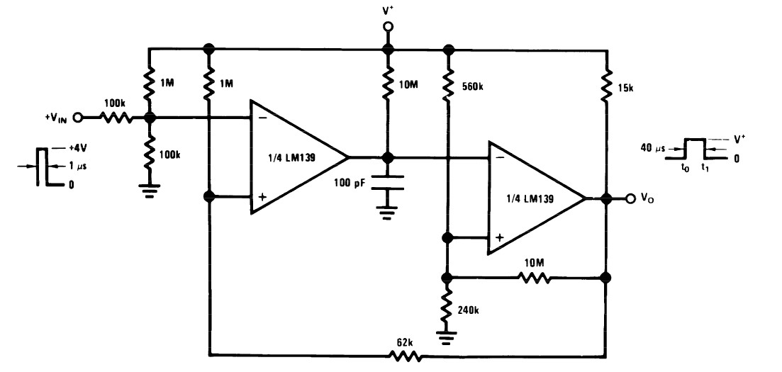
Diagrams

| Image | Part No | Mfg | Description | ![]() |
Pricing (USD) |
Quantity | ||||||||||||
|---|---|---|---|---|---|---|---|---|---|---|---|---|---|---|---|---|---|---|
![]() |
![]() LM339N |
![]() Fairchild Semiconductor |
![]() Comparator ICs Quad Comparator |
![]() Data Sheet |
![]()
|
|
||||||||||||
![]() |
![]() LM339N/NOPB |
![]() National Semiconductor (TI) |
![]() Comparator ICs LOW PWR LOW OFFSET VLTG QUAD COMPARATOR |
![]() Data Sheet |
![]()
|
|
||||||||||||
![]() |
![]() LM339N/PB |
![]() National Semiconductor (TI) |
![]() Comparator ICs QUAD COMPARATOR |
![]() Data Sheet |
![]()
|
|
||||||||||||
![]() |
![]() LM339N_Q |
![]() Fairchild Semiconductor |
![]() Comparator ICs Quad Comparator |
![]() Data Sheet |
![]() Negotiable |
|
||||||||||||
![]() |
![]() LM339NE3 |
![]() Texas Instruments |
![]() Comparator ICs Quad Diff Comparator |
![]() Data Sheet |
![]()
|
|
||||||||||||
![]() |
![]() LM339NE4 |
![]() Texas Instruments |
![]() Comparator ICs Quad Differential Comparator |
![]() Data Sheet |
![]()
|
|
||||||||||||
![]() |
![]() LM339NG |
![]() ON Semiconductor |
![]() Comparator ICs 3-36V Qud Comparator Commercial Temp |
![]() Data Sheet |
![]()
|
|
||||||||||||
![]() |
![]() LM339NSR |
![]() Texas Instruments |
![]() Comparator ICs Quad Differential Comparator |
![]() Data Sheet |
![]()
|
|
||||||||||||
(Hong Kong)









