Product Summary
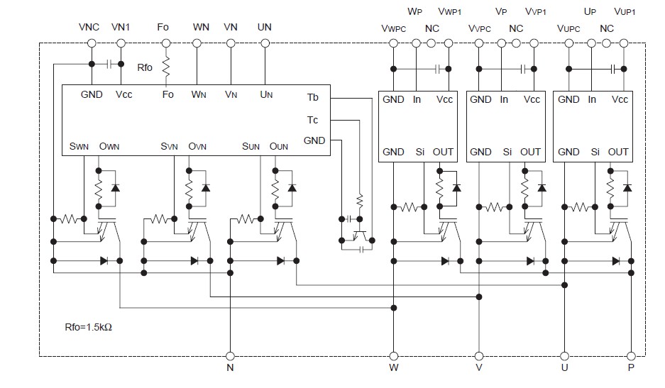
The PM10CHA060-2 is an Intelligent Power Module. It is used in general purpose inverter, servo drives and other motor controlers.
Parametrics
PM10CHA060-2 absolute maximum ratings: (1)On the conditions of VD = 15V, VCIN = 15V, VCES Collector-Emitter Voltage: 600V; (2)On the conditions of Tc=25℃, ±IC Collector Current: 10A; (3)On the conditions of Tc=25℃, ±ICP Collector Current (Peak): 20A; (4)On the conditions of Tc=25℃, PC Collector Dissipation: 39W; (5)Tj Junction Temperature: –20 ~ +125℃.
Features
PM10CHA060-2 features: (1)3 phase IGBT (10A/600V) inverter output; (2)Monolithic gate drive & protection logic circuit; (3)Protection logic: over circuit (OC); short circuit (SC), over temperature (OT); under voltage lock-out (UV); (4)UL Recognized.
Diagrams

![]() |
![]() PM1000G1 |
![]() Anderson Power Products |
![]() Heavy Duty Power Connectors CRIMP TOOL 4 INDENT |
![]() Data Sheet |
![]()
|
|
||||||||||||
![]() |
![]() PM1002G1 |
![]() Anderson Power Products |
![]() Heavy Duty Power Connectors INSERTION TOOL TOOL |
![]() Data Sheet |
![]()
|
|
||||||||||||
![]() |
![]() PM1003G1 |
![]() Anderson Power Products |
![]() Heavy Duty Power Connectors EXTRACTION TOOL TOOL |
![]() Data Sheet |
![]()
|
|
||||||||||||
![]() |
![]() PM1008-100K |
![]() J.W. Miller |
![]() RF Inductors 10uH 10% |
![]() Data Sheet |
![]() Negotiable |
|
||||||||||||
![]() |
![]() PM1008-100K-RC |
![]() J.W. Miller |
![]() RF Inductors 10uH 10% |
![]() Data Sheet |
![]()
|
|
||||||||||||
![]() |
![]() PM1008-10NM |
![]() J.W. Miller |
![]() RF Inductors 10nH 20% |
![]() Data Sheet |
![]() Negotiable |
|
||||||||||||
(Hong Kong)











